at87f51 Datasheet - Atmel

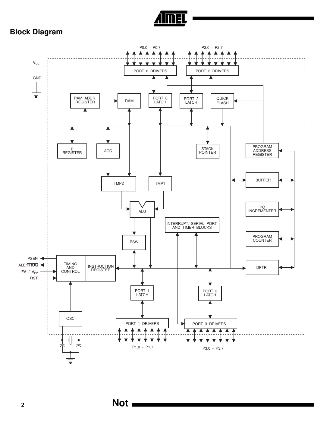
The AT87F51 is an 8-bit microcontroller from the MCS-51 family, designed for use in a wide range of applications, including industrial control, consumer...

Manufacturer
Atmel
Part Number
AT87F51
Primary Category
SEMICONDUCTORS - INTEGRATED CIRCUITS
Package
PDIP, PLCC
Key Spec 1
Clock Speed: 0-24 MHz
Key Spec 2
Supply Voltage: 4.0-5.5V

📖 Datasheet Preview

at87f51 Datasheet Page 1
Page 1 of 16
at87f51 Datasheet Page 2
Page 2 of 16
at87f51 Datasheet Page 3
Page 3 of 16
at87f51 Datasheet Page 4
Page 4 of 16
at87f51 Datasheet Page 5
Page 5 of 16
at87f51 Datasheet Page 6
Page 6 of 16
at87f51 Datasheet Page 7
Page 7 of 16
at87f51 Datasheet Page 8
Page 8 of 16
at87f51 Datasheet Page 9
Page 9 of 16
at87f51 Datasheet Page 10
Page 10 of 16
at87f51 Datasheet Page 11
Page 11 of 16
at87f51 Datasheet Page 12
Page 12 of 16
at87f51 Datasheet Page 13
Page 13 of 16
at87f51 Datasheet Page 14
Page 14 of 16
at87f51 Datasheet Page 15
Page 15 of 16

📄 + 1 more pages available - Download the full PDF to see complete datasheet

⬇️ Download Complete Datasheet

Get the full 16-page technical datasheet in PDF format

📊 PDF Format 📏 N/A 📖 16 Pages 🌐 English

📝 Component Overview

The AT87F51 is an 8-bit microcontroller from the MCS-51 family, designed for use in a wide range of applications, including industrial control, consumer electronics, and automotive systems. It features a high-performance processor, on-chip memory, and various peripherals such as timers, counters, and serial communication interfaces.

Key Features and Benefits

Typical Applications

📊 Complete Technical Specifications

Absolute Maximum Ratings

ParameterValue
Operating Temperature-40°C to +85°C
Storage Temperature-65°C to +150°C
Supply Voltage4.0V to 5.5V

Electrical Characteristics

ParameterConditionMinTypMaxUnit
Clock SpeedTypical0 MHz12 MHz24 MHzMHz
Supply CurrentTypical10 mA20 mA30 mAmA

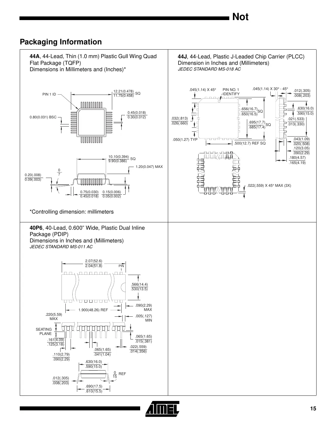
Package Information

Pin Configuration

🔧 Application Guidelines

Design Considerations

When designing with the AT87F51, consider the clock speed, supply voltage, and operating temperature range to ensure reliable operation. Additionally, ensure that the system design meets the required specifications for the intended application.

Installation Guidelines

The AT87F51 should be installed in a way that minimizes thermal resistance and ensures good electrical connections. The device should be handled with care to prevent damage from static electricity.

Operational Notes

The AT87F51 is a sensitive electronic component and should be operated within the specified parameters to prevent damage. Regular maintenance and inspection are recommended to ensure reliable operation.