at89c51 Datasheet - Atmel

The AT89C51 is an 8-bit microcontroller from the MCS-51 family, featuring 4K bytes of flash memory, 128 bytes of RAM, and a wide range of peripherals including...

Manufacturer
Atmel
Part Number
AT89C51
Primary Category
SEMICONDUCTORS - INTEGRATED CIRCUITS
Package
PDIP, PLCC, PQFP
Key Spec 1
Operating Frequency: up to 24 MHz
Key Spec 2
Flash Memory: 4K bytes

📖 Datasheet Preview

at89c51 Datasheet Page 1
Page 1 of 15
at89c51 Datasheet Page 2
Page 2 of 15
at89c51 Datasheet Page 3
Page 3 of 15
at89c51 Datasheet Page 4
Page 4 of 15
at89c51 Datasheet Page 5
Page 5 of 15
at89c51 Datasheet Page 6
Page 6 of 15
at89c51 Datasheet Page 7
Page 7 of 15
at89c51 Datasheet Page 8
Page 8 of 15
at89c51 Datasheet Page 9
Page 9 of 15
at89c51 Datasheet Page 10
Page 10 of 15
at89c51 Datasheet Page 11
Page 11 of 15
at89c51 Datasheet Page 12
Page 12 of 15
at89c51 Datasheet Page 13
Page 13 of 15
at89c51 Datasheet Page 14
Page 14 of 15
at89c51 Datasheet Page 15
Page 15 of 15

⬇️ Download Complete Datasheet

Get the full 15-page technical datasheet in PDF format

📊 PDF Format 📏 N/A 📖 15 Pages 🌐 English

📝 Component Overview

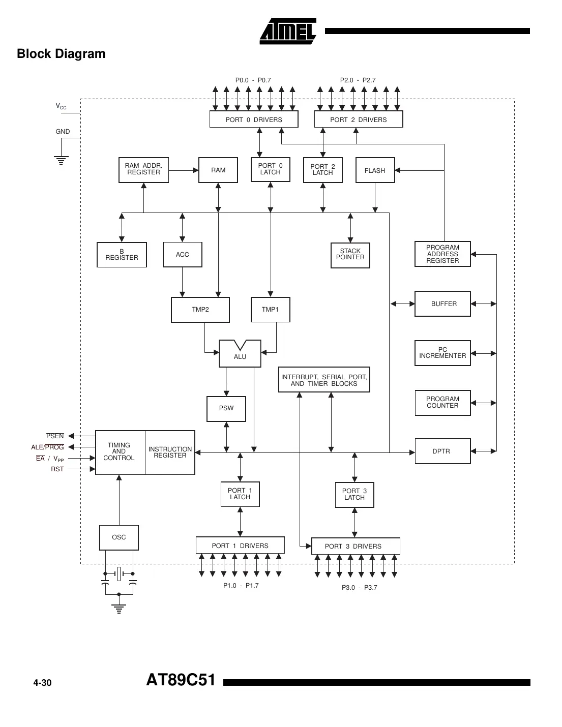
The AT89C51 is an 8-bit microcontroller from the MCS-51 family, featuring 4K bytes of flash memory, 128 bytes of RAM, and a wide range of peripherals including timers, counters, and serial communication interfaces. It operates at a maximum frequency of 24 MHz and is suitable for a variety of applications, including industrial control, consumer electronics, and automotive systems.

Key Features and Benefits

Typical Applications

📊 Complete Technical Specifications

Absolute Maximum Ratings

ParameterValue
Operating Temperature-40°C to +85°C
Storage Temperature-65°C to +150°C
Supply Voltage4.5V to 5.5V

Electrical Characteristics

ParameterConditionMinTypMaxUnit
Supply CurrentActive mode, 12 MHz10 mA15 mA20 mAmA
Standby CurrentIdle mode, 12 MHz50 μA100 μA200 μAμA

Package Information

Pin Configuration

🔧 Application Guidelines

Design Considerations

When designing with the AT89C51, consider the operating frequency, power consumption, and memory requirements of the application. Ensure that the microcontroller is properly configured and initialized before use.

Installation Guidelines

The AT89C51 is available in various packages, including PDIP, PLCC, and PQFP. Ensure that the package is properly mounted and connected to the PCB to prevent damage and ensure reliable operation.

Operational Notes

The AT89C51 is a low-power microcontroller, but it still requires proper power management to ensure reliable operation. Use a suitable power supply and follow the recommended operating conditions to prevent damage and ensure optimal performance.