at89lv51 Datasheet - Atmel

The AT89LV51 is a low-voltage, low-power CMOS 8-bit microcontroller with 4K bytes of In-System Programmable Flash Memory.

Manufacturer
Atmel
Part Number
AT89LV51
Primary Category
SEMICONDUCTORS - INTEGRATED CIRCUITS
Package
PDIP, PLCC
Key Spec 1
Max Frequency: 12 MHz
Key Spec 2
Program Memory: 4K Bytes

📖 Datasheet Preview

at89lv51 Datasheet Page 1
Page 1 of 16
at89lv51 Datasheet Page 2
Page 2 of 16
at89lv51 Datasheet Page 3
Page 3 of 16
at89lv51 Datasheet Page 4
Page 4 of 16
at89lv51 Datasheet Page 5
Page 5 of 16
at89lv51 Datasheet Page 6
Page 6 of 16
at89lv51 Datasheet Page 7
Page 7 of 16
at89lv51 Datasheet Page 8
Page 8 of 16
at89lv51 Datasheet Page 9
Page 9 of 16
at89lv51 Datasheet Page 10
Page 10 of 16
at89lv51 Datasheet Page 11
Page 11 of 16
at89lv51 Datasheet Page 12
Page 12 of 16
at89lv51 Datasheet Page 13
Page 13 of 16
at89lv51 Datasheet Page 14
Page 14 of 16
at89lv51 Datasheet Page 15
Page 15 of 16

📄 + 1 more pages available - Download the full PDF to see complete datasheet

⬇️ Download Complete Datasheet

Get the full 16-page technical datasheet in PDF format

📊 PDF Format 📏 N/A 📖 16 Pages 🌐 English

📝 Component Overview

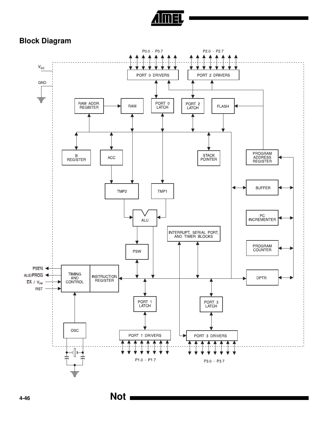
The AT89LV51 is a low-voltage, low-power CMOS 8-bit microcontroller with 4K bytes of In-System Programmable Flash Memory. It is a part of the AT89 Series which is compatible with the industry-standard MCS-51 instruction set. The device operates at a maximum frequency of 12 MHz and has a wide range of features including 32 I/O lines, three 16-bit timer/counters, a full-duplex serial port, and on-chip analog comparator.

Key Features and Benefits

Typical Applications

📊 Complete Technical Specifications

Absolute Maximum Ratings

ParameterValue
Operating Temperature-40°C to +85°C
Storage Temperature-65°C to +150°C
Voltage on VCC2.7V to 5.5V

Electrical Characteristics

ParameterConditionMinTypMaxUnit
Input High VoltageVCC = 5V0.7 * VCC2.4VVCC + 0.5VV
Input Low VoltageVCC = 5V0V0.3V0.3 * VCCV

Package Information

Pin Configuration

🔧 Application Guidelines

Design Considerations

When designing with the AT89LV51, consider the power consumption requirements, as it is a low-power device. Also, ensure that the system clock frequency does not exceed 12 MHz. For programming, use an ISP (In-System Programming) interface.

Installation Guidelines

The AT89LV51 is available in PDIP and PLCC packages. Ensure the package is properly seated and soldered to the PCB to prevent damage. Follow standard static protection procedures when handling the device.

Operational Notes

The device must be operated within the specified temperature and voltage ranges. Exceeding these limits may cause permanent damage or affect the reliability of the device.