ad53508 Datasheet - Analogdevices

Manufacturer

Analogdevices
View all Analogdevices datasheets →

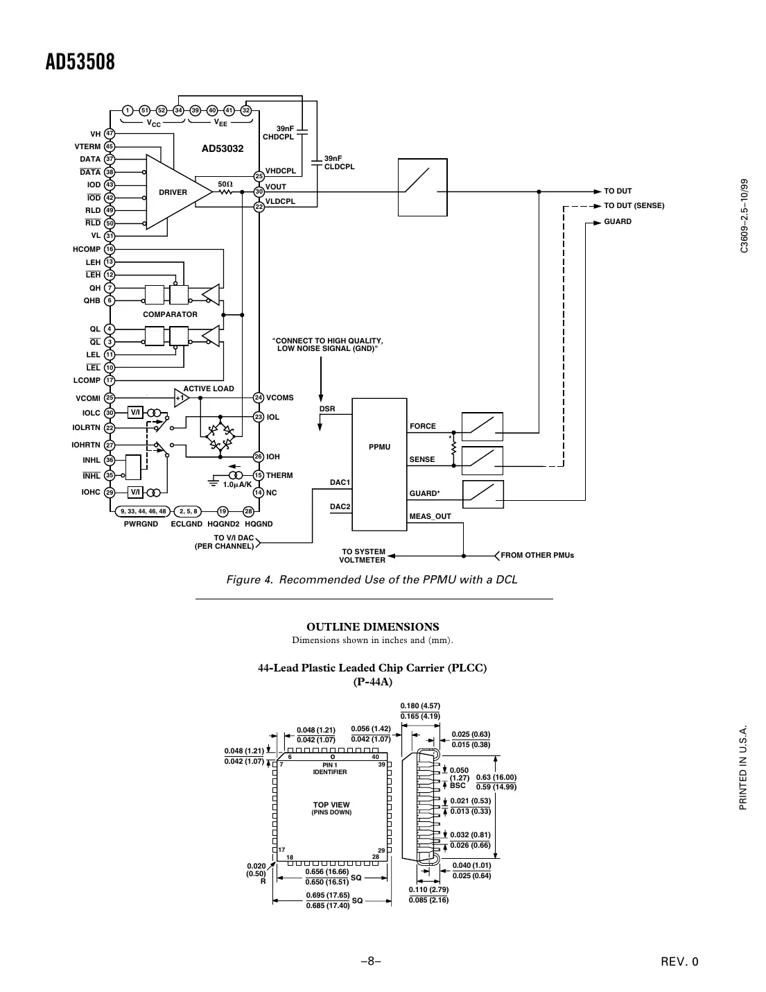
The AD53508 is a dual-channel, 8-bit, high-speed, multiplying digital-to-analog converter (DAC) with a programmable full-scale range.

Manufacturer
Analog Devices
Part Number
AD53508
Primary Category
SEMICONDUCTORS - INTEGRATED CIRCUITS
Package
44-Lead TQFP
Key Spec 1
Resolution: 8 bits
Key Spec 2
Full-scale range: programmable

📖 Datasheet Preview

ad53508 Datasheet Page 1
Page 1 of 8
ad53508 Datasheet Page 2
Page 2 of 8
ad53508 Datasheet Page 3
Page 3 of 8
ad53508 Datasheet Page 4
Page 4 of 8
ad53508 Datasheet Page 5
Page 5 of 8
ad53508 Datasheet Page 6
Page 6 of 8
ad53508 Datasheet Page 7
Page 7 of 8
ad53508 Datasheet Page 8
Page 8 of 8

⬇️ Download Complete Datasheet

Get the full 8-page technical datasheet in PDF format

📊 PDF Format 📏 N/A 📖 8 Pages 🌐 English

📝 Component Overview

The AD53508 is a dual-channel, 8-bit, high-speed, multiplying digital-to-analog converter (DAC) with a programmable full-scale range. It is designed to provide a high degree of linearity and stability, making it suitable for a wide range of applications, including industrial control systems, medical equipment, and test and measurement instruments.

Key Features and Benefits

Typical Applications

📊 Complete Technical Specifications

Absolute Maximum Ratings

ParameterValue
Supply voltage5.5V
Operating temperature-40°C to +85°C
Storage temperature-65°C to +150°C

Electrical Characteristics

ParameterConditionMinTypMaxUnit
Linearity errorVDD = 5V, TA = 25°C-10.51LSB
Full-scale rangeVDD = 5V, TA = 25°C0V2.5V5VV

Package Information

Pin Configuration

🔧 Application Guidelines

Design Considerations

The AD53508 is a high-speed, multiplying DAC that requires careful consideration of the input signal, output load, and power supply to ensure optimal performance. The device should be operated within the recommended supply voltage range and temperature range to ensure reliability and accuracy.

Installation Guidelines

The AD53508 is available in a 44-lead TQFP package and should be mounted on a printed circuit board (PCB) with a suitable thermal interface to ensure proper heat dissipation. The device should be handled with care to avoid damage to the leads or package.

Operational Notes

The AD53508 is a sensitive device that requires careful handling and operation to ensure optimal performance. The device should be operated within the recommended temperature range and supply voltage range to ensure reliability and accuracy. The output should be terminated with a suitable load to ensure proper operation.