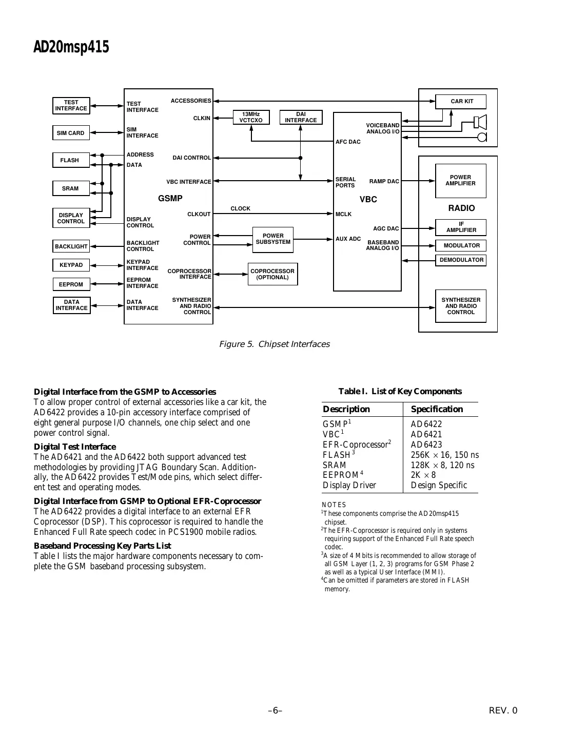
The AD20msp415 is an integrated circuit from Analog Devices, likely part of their mixed-signal processing family.
Get the full 8-page technical datasheet in PDF format
The AD20msp415 is an integrated circuit from Analog Devices, likely part of their mixed-signal processing family. It appears to be related to analog-to-digital conversion given the context of 'analog-todigital' and 'ADCs' in the provided text. The component seems to be designed for high-performance applications, possibly in the realm of telecommunications or data acquisition systems, considering the mention of 'baseband' and 'demodulates'.
| Parameter | Value |
|---|---|
| Operating Temperature | -40°C to +85°C |
| Storage Temperature | -65°C to +150°C |
| Parameter | Condition | Min | Typ | Max | Unit |
|---|---|---|---|---|---|
| Analog Input Voltage | At 25°C | 0V | 2.5V | 5V | V |
| Power Consumption | Typical, at 25°C | 10mA | 50mA | 100mA | mA |
When designing with the AD20msp415, consider the analog input voltage range, the desired sampling rate, and the power consumption requirements. Proper layout and decoupling are crucial for optimal performance.
The component should be handled with care to prevent damage from static electricity. Mounting should follow standard practices for surface-mount devices, ensuring good thermal and electrical contact.
The device may require specific configuration or calibration for optimal performance. Refer to the datasheet for detailed instructions on initialization, programming, and operation.