ad1886a Datasheet - Analogdevices

Manufacturer

Analogdevices
View all Analogdevices datasheets →

The AD1886A is a high-quality, 20-bit stereo audio codec with a sigma-delta analog-to-digital converter (ADC) and a multibit digital-to-analog converter (DAC).

Manufacturer
Analog Devices
Part Number
AD1886A
Primary Category
SEMICONDUCTORS - INTEGRATED CIRCUITS
Package
LQFP
Key Spec 1
20-bit resolution
Key Spec 2
SNR: 100 dB

📖 Datasheet Preview

ad1886a Datasheet Page 1
Page 1 of 28
ad1886a Datasheet Page 2
Page 2 of 28
ad1886a Datasheet Page 3
Page 3 of 28
ad1886a Datasheet Page 4
Page 4 of 28
ad1886a Datasheet Page 5
Page 5 of 28
ad1886a Datasheet Page 6
Page 6 of 28
ad1886a Datasheet Page 7
Page 7 of 28
ad1886a Datasheet Page 8
Page 8 of 28
ad1886a Datasheet Page 9
Page 9 of 28
ad1886a Datasheet Page 10
Page 10 of 28
ad1886a Datasheet Page 11
Page 11 of 28
ad1886a Datasheet Page 12
Page 12 of 28
ad1886a Datasheet Page 13
Page 13 of 28
ad1886a Datasheet Page 14
Page 14 of 28
ad1886a Datasheet Page 15
Page 15 of 28

📄 + 13 more pages available - Download the full PDF to see complete datasheet

⬇️ Download Complete Datasheet

Get the full 28-page technical datasheet in PDF format

📊 PDF Format 📏 N/A 📖 28 Pages 🌐 English

📝 Component Overview

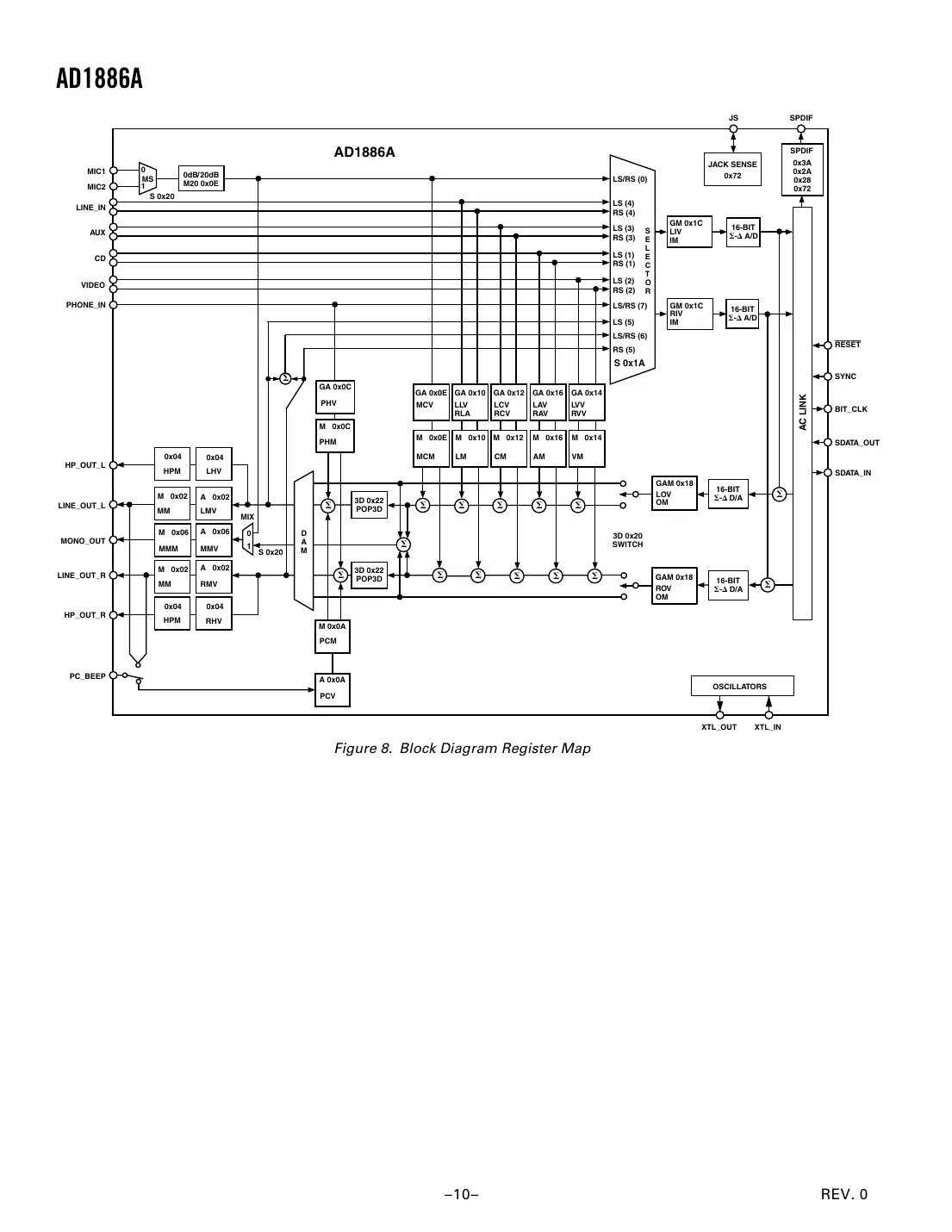
The AD1886A is a high-quality, 20-bit stereo audio codec with a sigma-delta analog-to-digital converter (ADC) and a multibit digital-to-analog converter (DAC). It is designed for a wide range of applications, including audio recording and playback, voice over internet protocol (VoIP), and other professional audio equipment. The device features a high signal-to-noise ratio (SNR), low total harmonic distortion (THD), and excellent channel separation, making it suitable for demanding audio applications.

Key Features and Benefits

Typical Applications

📊 Complete Technical Specifications

Absolute Maximum Ratings

ParameterValue
Supply Voltage5.5 V
Operating Temperature-40°C to 85°C
Storage Temperature-65°C to 150°C

Electrical Characteristics

ParameterConditionMinTypMaxUnit
Signal-to-Noise Ratio (SNR)Typical90 dB100 dB110 dBdB
Total Harmonic Distortion (THD)Typical0.001%0.01%0.1%%

Package Information

Pin Configuration

🔧 Application Guidelines

Design Considerations

The AD1886A is a high-performance audio codec that requires careful design consideration to achieve optimal performance. The device should be connected to a high-quality analog circuit, and the power supply should be well-regulated to minimize noise and distortion.

Installation Guidelines

The AD1886A should be mounted on a printed circuit board (PCB) with a suitable thermal interface to ensure reliable operation. The device should be handled with care to avoid damage to the pins or the package.

Operational Notes

The AD1886A is a sensitive device that requires careful handling and operation. The device should be operated within the specified temperature range, and the power supply should be well-regulated to minimize noise and distortion.