ad1881a Datasheet - Analogdevices

Manufacturer

Analogdevices
View all Analogdevices datasheets →

The AD1881A is a high-performance, 16-bit stereo audio codec with a sigma-delta analog-to-digital converter (ADC) and a multibit digital-to-analog converter...

Manufacturer
Analog Devices
Part Number
AD1881A
Primary Category
SEMICONDUCTORS - INTEGRATED CIRCUITS
Package
48-lead LQFP
Key Spec 1
16-bit resolution
Key Spec 2
Sampling rate: up to 96 kHz

📖 Datasheet Preview

ad1881a Datasheet Page 1
Page 1 of 26
ad1881a Datasheet Page 2
Page 2 of 26
ad1881a Datasheet Page 3
Page 3 of 26
ad1881a Datasheet Page 4
Page 4 of 26
ad1881a Datasheet Page 5
Page 5 of 26
ad1881a Datasheet Page 6
Page 6 of 26
ad1881a Datasheet Page 7
Page 7 of 26
ad1881a Datasheet Page 8
Page 8 of 26
ad1881a Datasheet Page 9
Page 9 of 26
ad1881a Datasheet Page 10
Page 10 of 26
ad1881a Datasheet Page 11
Page 11 of 26
ad1881a Datasheet Page 12
Page 12 of 26
ad1881a Datasheet Page 13
Page 13 of 26
ad1881a Datasheet Page 14
Page 14 of 26
ad1881a Datasheet Page 15
Page 15 of 26

📄 + 11 more pages available - Download the full PDF to see complete datasheet

⬇️ Download Complete Datasheet

Get the full 26-page technical datasheet in PDF format

📊 PDF Format 📏 N/A 📖 26 Pages 🌐 English

📝 Component Overview

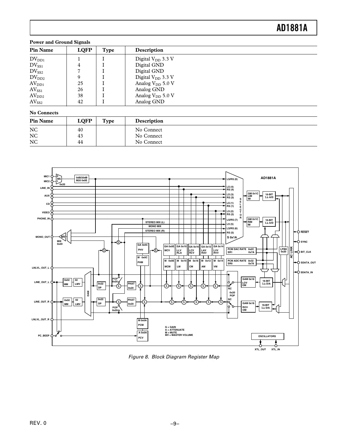
The AD1881A is a high-performance, 16-bit stereo audio codec with a sigma-delta analog-to-digital converter (ADC) and a multibit digital-to-analog converter (DAC). It is designed for use in a variety of audio applications, including desktop and notebook computers, sound cards, and audio interfaces.

Key Features and Benefits

Typical Applications

📊 Complete Technical Specifications

Absolute Maximum Ratings

ParameterValue
Supply Voltage5.5 V
Operating Temperature-40°C to +85°C
Storage Temperature-65°C to +150°C

Electrical Characteristics

ParameterConditionMinTypMaxUnit
Analog Input VoltageVDD = 5 V0 V2.5 V5 VV
Digital Input VoltageVDD = 5 V0 V2.5 V5 VV

Package Information

Pin Configuration

🔧 Application Guidelines

Design Considerations

The AD1881A is a high-performance audio codec that requires careful design consideration to ensure optimal performance. The device should be operated within the recommended supply voltage range and the analog input voltage should be within the specified range.

Installation Guidelines

The AD1881A is available in a 48-lead LQFP package and should be mounted on a printed circuit board (PCB) with a suitable thermal interface material to ensure proper heat dissipation.

Operational Notes

The AD1881A is a sensitive device and should be handled with care to avoid damage. The device should be operated in a well-ventilated area and should not be exposed to extreme temperatures or humidity.