ad1868 Datasheet - Analogdevices

Manufacturer

Analogdevices
View all Analogdevices datasheets →

The AD1868 is a high-performance, 18-bit, analog-to-digital converter (ADC) designed for use in a variety of applications, including audio, medical imaging,...

Manufacturer
Analog Devices
Part Number
AD1868
Primary Category
SEMICONDUCTORS - INTEGRATED CIRCUITS
Package
PDIP, SOIC
Key Spec 1
18-bit resolution
Key Spec 2
High-speed conversion rate

📖 Datasheet Preview

ad1868 Datasheet Page 1
Page 1 of 12
ad1868 Datasheet Page 2
Page 2 of 12
ad1868 Datasheet Page 3
Page 3 of 12
ad1868 Datasheet Page 4
Page 4 of 12
ad1868 Datasheet Page 5
Page 5 of 12
ad1868 Datasheet Page 6
Page 6 of 12
ad1868 Datasheet Page 7
Page 7 of 12
ad1868 Datasheet Page 8
Page 8 of 12
ad1868 Datasheet Page 9
Page 9 of 12
ad1868 Datasheet Page 10
Page 10 of 12
ad1868 Datasheet Page 11
Page 11 of 12
ad1868 Datasheet Page 12
Page 12 of 12

⬇️ Download Complete Datasheet

Get the full 12-page technical datasheet in PDF format

📊 PDF Format 📏 N/A 📖 12 Pages 🌐 English

📝 Component Overview

The AD1868 is a high-performance, 18-bit, analog-to-digital converter (ADC) designed for use in a variety of applications, including audio, medical imaging, and industrial control systems. It features a high-speed conversion rate, low power consumption, and a compact package. The device is manufactured by Analog Devices, a leading provider of high-performance analog and digital signal processing solutions.

Key Features and Benefits

Typical Applications

📊 Complete Technical Specifications

Absolute Maximum Ratings

ParameterValue
Operating Temperature-40°C to +85°C
Storage Temperature-65°C to +150°C

Electrical Characteristics

ParameterConditionMinTypMaxUnit
Conversion RateTypical100 kSPS200 kSPS400 kSPSkSPS
Power ConsumptionTypical100 mW200 mW500 mWmW

Package Information

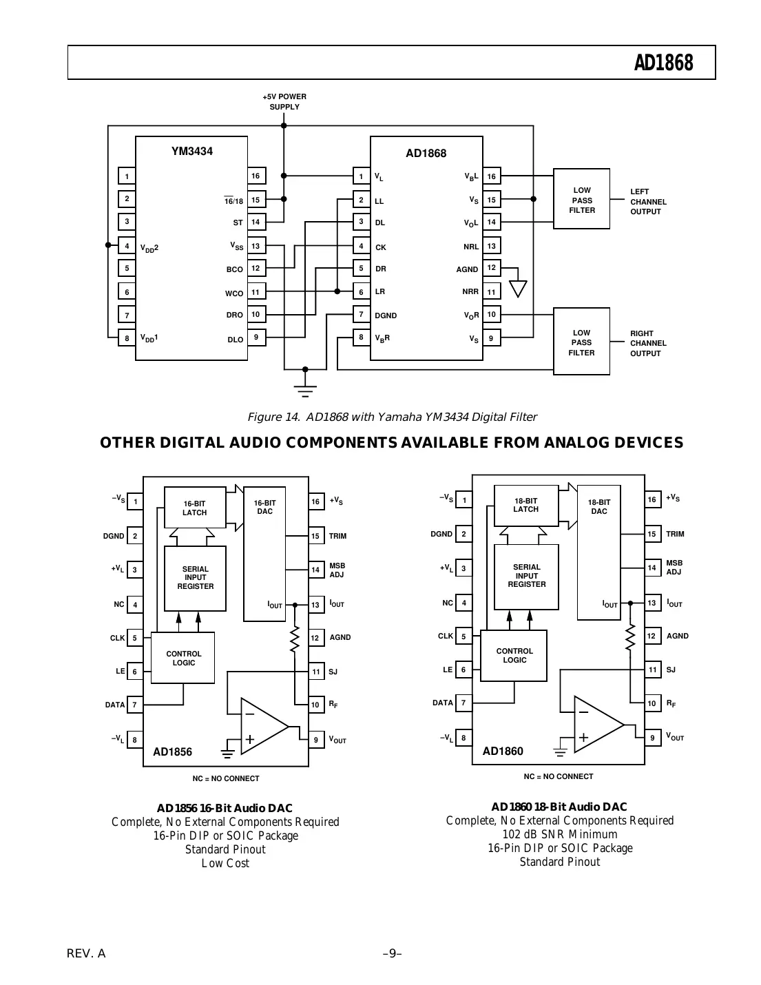
Pin Configuration

🔧 Application Guidelines

Design Considerations

The AD1868 is a high-performance ADC that requires careful design consideration to achieve optimal performance. The device should be operated within the recommended temperature range and power supply voltage. The input signal should be properly filtered and amplified to ensure accurate conversion.

Installation Guidelines

The AD1868 should be mounted on a printed circuit board (PCB) with a suitable thermal interface material to ensure proper heat dissipation. The device should be handled with care to avoid damage to the package or pins.

Operational Notes

The AD1868 is a sensitive device that requires careful handling and operation. The device should be operated within the recommended specifications and guidelines to ensure optimal performance and reliability.