ad1854 Datasheet - Analogdevices

Manufacturer

Analogdevices
View all Analogdevices datasheets →

The AD1854 is a high-performance, 24-bit, 192 kHz, multibit sigma-delta analog-to-digital converter (ADC) designed for professional audio applications.

Manufacturer
Analog Devices
Part Number
AD1854
Primary Category
SEMICONDUCTORS - INTEGRATED CIRCUITS
Package
28-lead SSOP
Key Spec 1
Sampling Rate: 192 kHz
Key Spec 2
Resolution: 24 bits

📖 Datasheet Preview

ad1854 Datasheet Page 1
Page 1 of 12
ad1854 Datasheet Page 2
Page 2 of 12
ad1854 Datasheet Page 3
Page 3 of 12
ad1854 Datasheet Page 4
Page 4 of 12
ad1854 Datasheet Page 5
Page 5 of 12
ad1854 Datasheet Page 6
Page 6 of 12
ad1854 Datasheet Page 7
Page 7 of 12
ad1854 Datasheet Page 8
Page 8 of 12
ad1854 Datasheet Page 9
Page 9 of 12
ad1854 Datasheet Page 10
Page 10 of 12
ad1854 Datasheet Page 11
Page 11 of 12
ad1854 Datasheet Page 12
Page 12 of 12

⬇️ Download Complete Datasheet

Get the full 12-page technical datasheet in PDF format

📊 PDF Format 📏 N/A 📖 12 Pages 🌐 English

📝 Component Overview

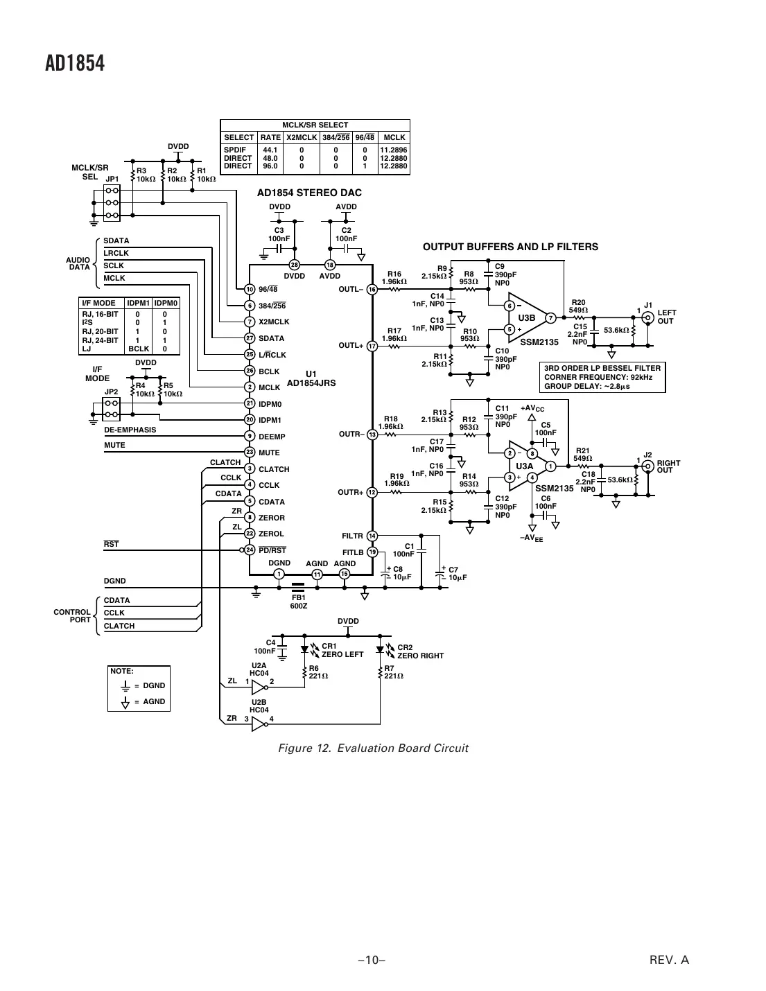
The AD1854 is a high-performance, 24-bit, 192 kHz, multibit sigma-delta analog-to-digital converter (ADC) designed for professional audio applications. It features a clickless, de-emphasis switch and operates from a 5 V power supply. The device has a flexible interface, supporting various audio formats and standards.

Key Features and Benefits

Typical Applications

📊 Complete Technical Specifications

Absolute Maximum Ratings

ParameterValue
Supply Voltage5.5 V
Operating Temperature-40°C to +85°C
Storage Temperature-65°C to +150°C

Electrical Characteristics

ParameterConditionMinTypMaxUnit
Analog Input VoltageVDD = 5 V0 V2.5 V5 VV
Digital Supply CurrentVDD = 5 V, fS = 192 kHz10 mA20 mA30 mAmA

Package Information

Pin Configuration

🔧 Application Guidelines

Design Considerations

The AD1854 requires careful consideration of the analog input circuit, power supply decoupling, and digital interface configuration to ensure optimal performance.

Installation Guidelines

The device should be mounted on a multilayer PCB with a solid ground plane to minimize noise and ensure reliable operation.

Operational Notes

The AD1854 is sensitive to clock jitter and requires a high-quality clock source to maintain its specified performance.