ad10242 Datasheet - Analogdevices

Manufacturer

Analogdevices
View all Analogdevices datasheets →

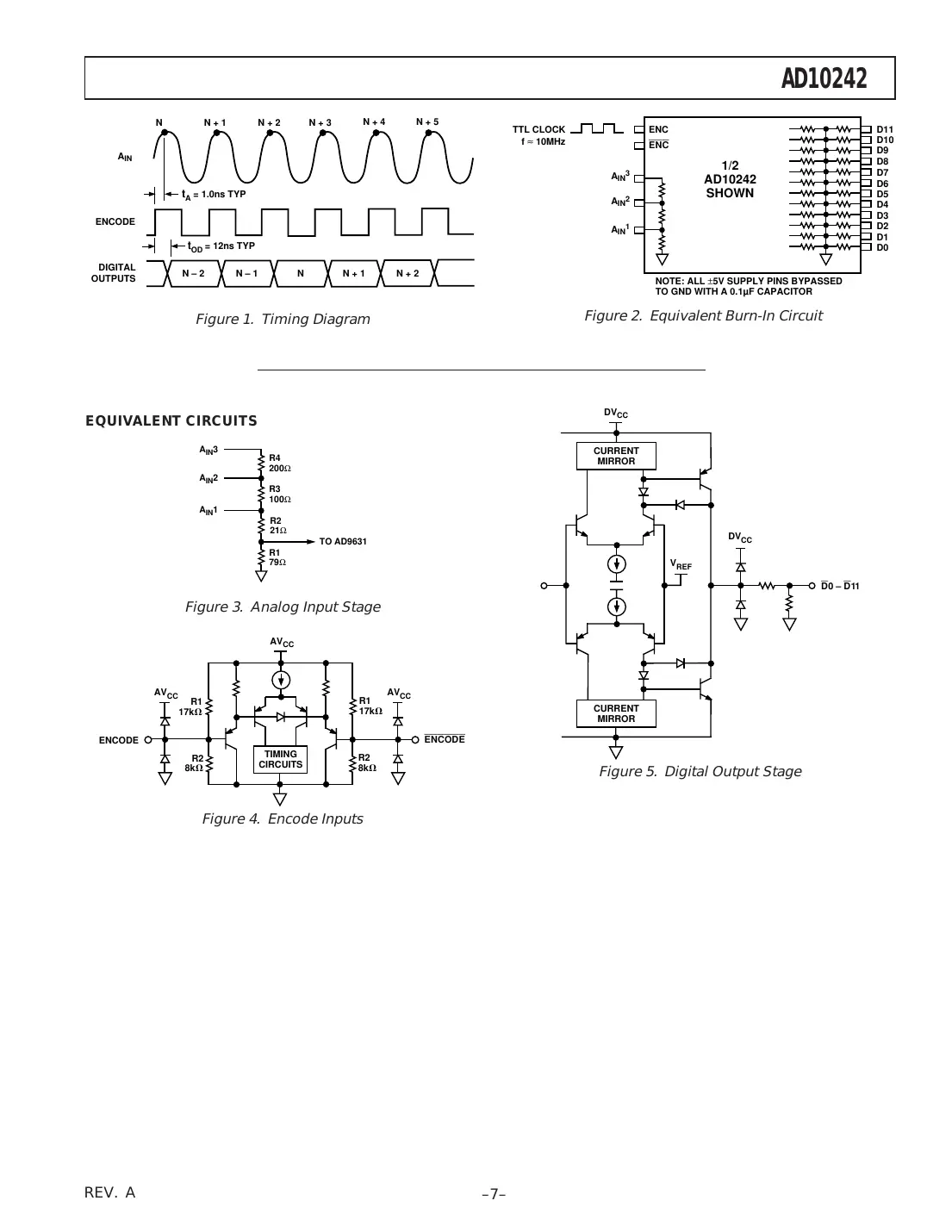
The AD10242 is a high-speed, 12-bit analog-to-digital converter (ADC) designed for high-performance applications.

Manufacturer
Analog Devices
Part Number
AD10242
Primary Category
SEMICONDUCTORS - INTEGRATED CIRCUITS
Package
TSSOP-28
Key Spec 1
12-bit resolution
Key Spec 2
High-speed conversion rate

📖 Datasheet Preview

ad10242 Datasheet Page 1
Page 1 of 16
ad10242 Datasheet Page 2
Page 2 of 16
ad10242 Datasheet Page 3
Page 3 of 16
ad10242 Datasheet Page 4
Page 4 of 16
ad10242 Datasheet Page 5
Page 5 of 16
ad10242 Datasheet Page 6
Page 6 of 16
ad10242 Datasheet Page 7
Page 7 of 16
ad10242 Datasheet Page 8
Page 8 of 16
ad10242 Datasheet Page 9
Page 9 of 16
ad10242 Datasheet Page 10
Page 10 of 16
ad10242 Datasheet Page 11
Page 11 of 16
ad10242 Datasheet Page 12
Page 12 of 16
ad10242 Datasheet Page 13
Page 13 of 16
ad10242 Datasheet Page 14
Page 14 of 16
ad10242 Datasheet Page 15
Page 15 of 16

📄 + 1 more pages available - Download the full PDF to see complete datasheet

⬇️ Download Complete Datasheet

Get the full 16-page technical datasheet in PDF format

📊 PDF Format 📏 N/A 📖 16 Pages 🌐 English

📝 Component Overview

The AD10242 is a high-speed, 12-bit analog-to-digital converter (ADC) designed for high-performance applications. It features a high-speed conversion rate, high accuracy, and low power consumption. The device is suitable for a wide range of applications, including data acquisition systems, medical imaging, and industrial control systems.

Key Features and Benefits

Typical Applications

📊 Complete Technical Specifications

Absolute Maximum Ratings

ParameterValue
Supply Voltage5.5V
Operating Temperature-40°C to 85°C
Storage Temperature-65°C to 150°C

Electrical Characteristics

ParameterConditionMinTypMaxUnit
Conversion RateTypical100200500kSPS
Integral NonlinearityTypical-10.51LSB

Package Information

Pin Configuration

🔧 Application Guidelines

Design Considerations

The AD10242 is a high-speed ADC that requires careful design consideration to achieve optimal performance. The device should be powered from a clean, low-noise supply, and the analog input should be properly filtered and buffered to prevent noise and distortion.

Installation Guidelines

The AD10242 should be mounted on a printed circuit board (PCB) with a suitable thermal interface to ensure proper heat dissipation. The device should be handled with care to prevent damage to the pins and package.

Operational Notes

The AD10242 is a high-speed device that requires careful attention to timing and synchronization. The device should be operated within the specified temperature range and with proper power sequencing to prevent damage or malfunction.