act8500 Datasheet - Analogdevices

Manufacturer

Analogdevices
View all Analogdevices datasheets →

The ACT8500 is a radiation-hardened, 64-channel, analog multiplexer integrated circuit designed for use in space and military applications.

Manufacturer
Aeroflex
Part Number
ACT8500
Primary Category
SEMICONDUCTORS - INTEGRATED CIRCUITS
Package
48-lead, flat package
Key Spec 1
64 channels
Key Spec 2
Radiation-hardened

📖 Datasheet Preview

act8500 Datasheet Page 1
Page 1 of 10
act8500 Datasheet Page 2
Page 2 of 10
act8500 Datasheet Page 3
Page 3 of 10
act8500 Datasheet Page 4
Page 4 of 10
act8500 Datasheet Page 5
Page 5 of 10
act8500 Datasheet Page 6
Page 6 of 10
act8500 Datasheet Page 7
Page 7 of 10
act8500 Datasheet Page 8
Page 8 of 10
act8500 Datasheet Page 9
Page 9 of 10
act8500 Datasheet Page 10
Page 10 of 10

⬇️ Download Complete Datasheet

Get the full 10-page technical datasheet in PDF format

📊 PDF Format 📏 N/A 📖 10 Pages 🌐 English

📝 Component Overview

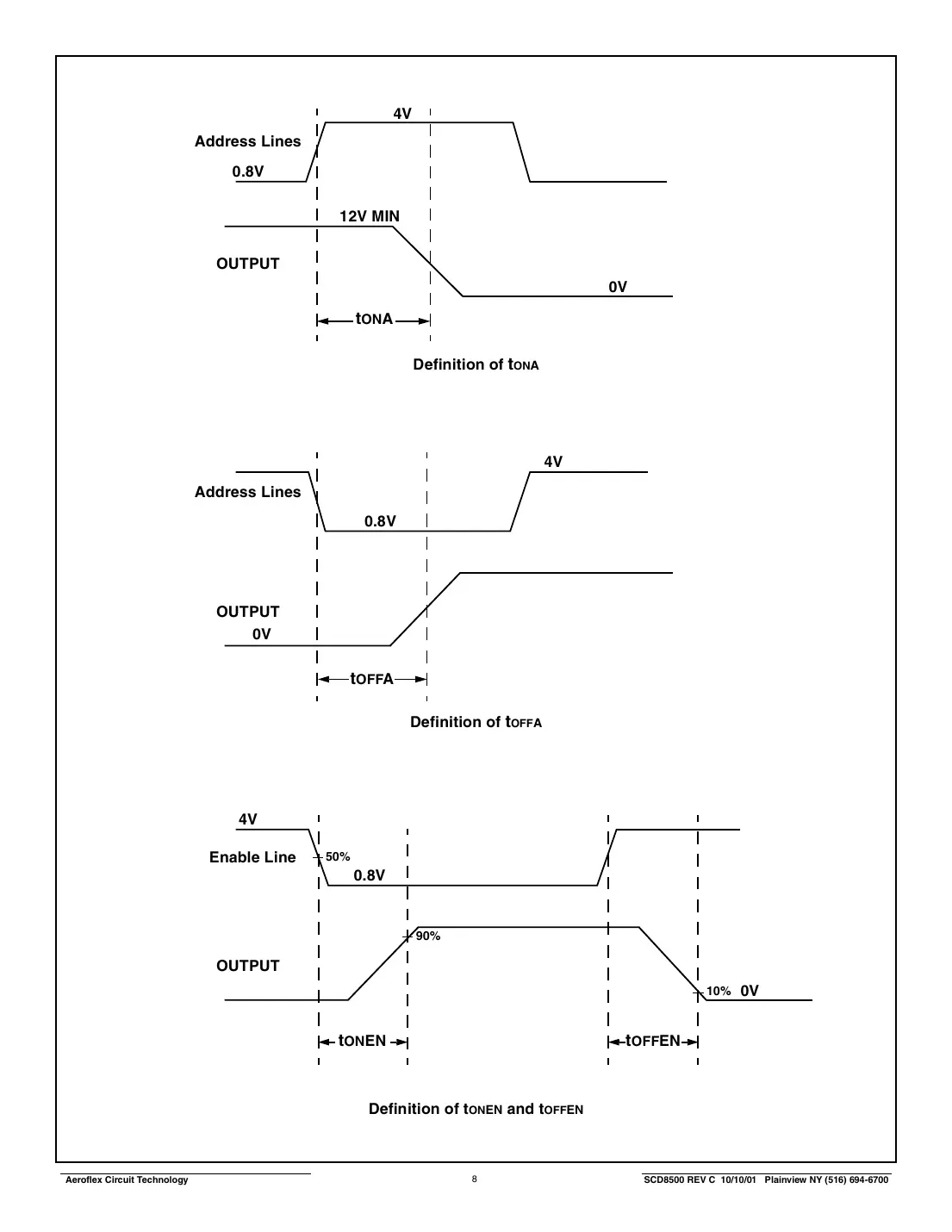
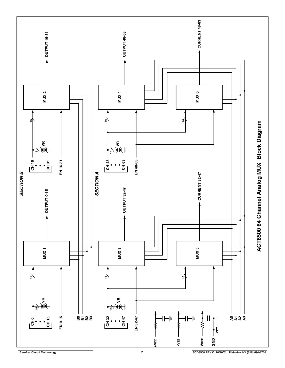
The ACT8500 is a radiation-hardened, 64-channel, analog multiplexer integrated circuit designed for use in space and military applications. It provides a high level of reliability and performance in harsh environments. The device is built using a dielectrically isolated, bipolar process and is packaged in a 48-lead, flat package. The ACT8500 is designed to meet the requirements of MIL-PRF-38534 and MIL-STD-883.

Key Features and Benefits

Typical Applications

📊 Complete Technical Specifications

Absolute Maximum Ratings

ParameterValue
Operating Temperature-55°C to 125°C
Storage Temperature-65°C to 150°C
Total Dose Radiation300 krad(Si)

Electrical Characteristics

ParameterConditionMinTypMaxUnit
Input VoltageAt 25°C0 V5 V10 VV
Output CurrentAt 25°C0 mA10 mA20 mAmA

Package Information

Pin Configuration

🔧 Application Guidelines

Design Considerations

The ACT8500 should be used in applications where high reliability and performance are required in harsh environments. The device is designed to meet the requirements of MIL-PRF-38534 and MIL-STD-883, and should be used in accordance with these standards.

Installation Guidelines

The ACT8500 should be installed in a 48-lead, flat package, and should be handled with care to avoid damage to the device or the surrounding circuitry.

Operational Notes

The ACT8500 is designed to operate in a wide range of temperatures and radiation environments. However, the device should not be operated outside of its specified temperature range, and should be protected from excessive radiation exposure.